中石化胜利海上石油工程技术检验有限公司
2024年度报告公示
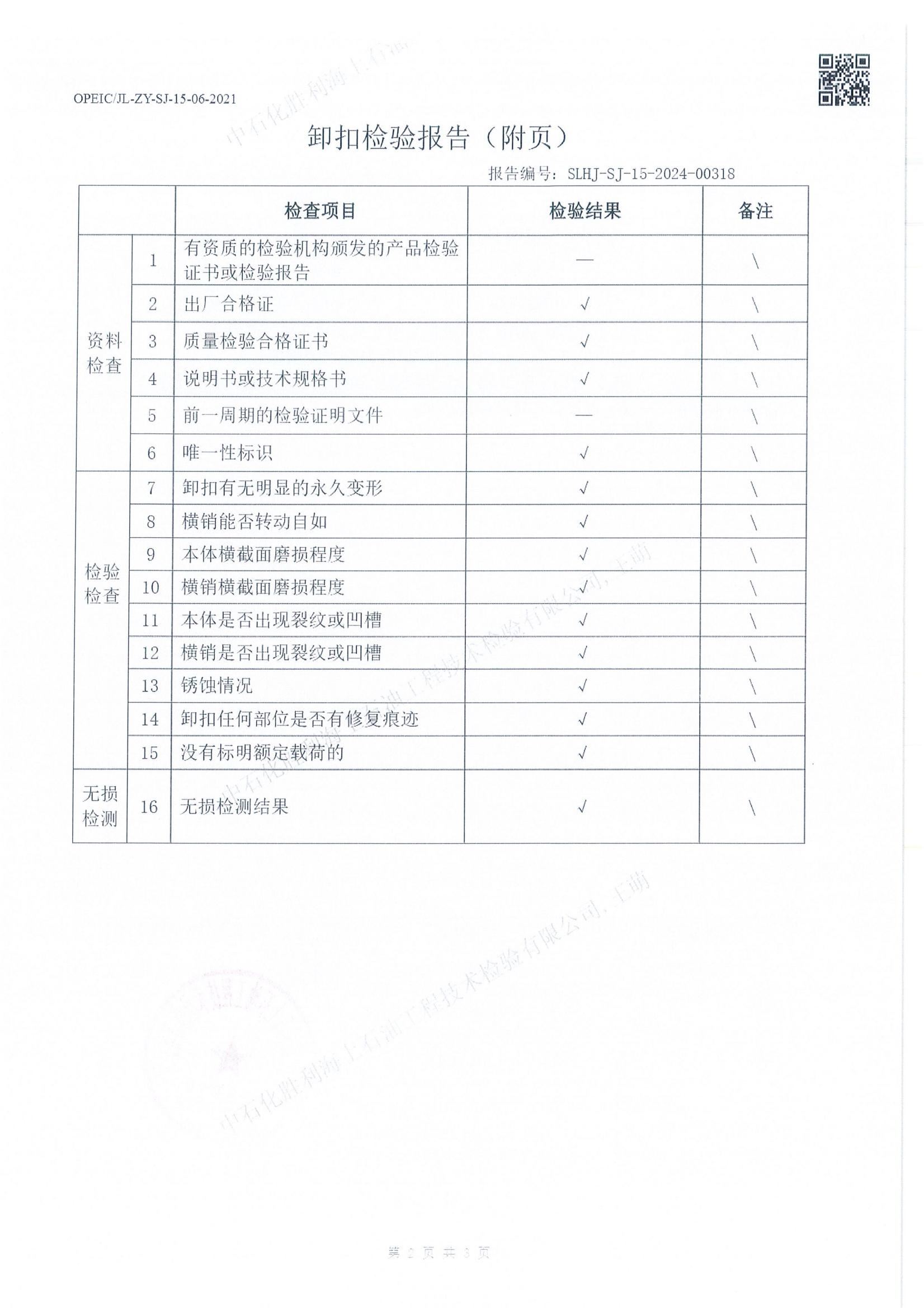
1、使用单位:海洋采油厂海二采油管理区
2、检验内容:卸扣
3、报告编号:SLHJ-SJ-15-2024-00315,SLHJ-SJ-15-2024-00316,SLHJ-SJ-15-2024-00317,SLHJ-SJ-15-2024-00318,SLHJ-SJ-15-2024-00319,SLHJ-SJ-15-2024-00320,SLHJ-SJ-15-2024-00321,SLHJ-SJ-15-2024-00322
4、检验日期:2024年1月3日
























