中石化胜利海上石油工程技术检验有限公司
2024年度报告公示
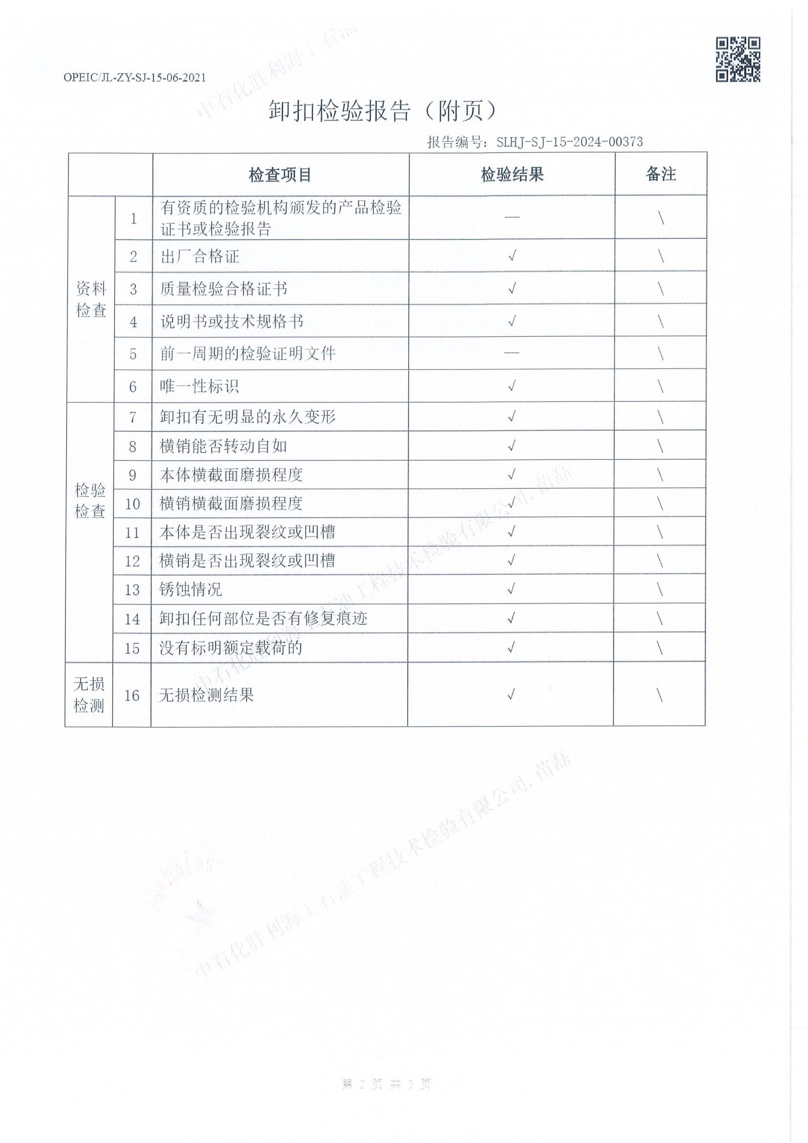
1、使用单位:胜华科贸有限公司
2、检验内容:卸扣
3、报告编号:SLHJ-SJ-15-2024-00372,SLHJ-SJ-15-2024-00373,SLHJ-SJ-15-2024-00374,SLHJ-SJ-15-2024-00375,SLHJ-SJ-15-2024-00376,SLHJ-SJ-15-2024-00377,SLHJ-SJ-15-2024-00378,SLHJ-SJ-15-2024-00379,SLHJ-SJ-15-2024-00380,SLHJ-SJ-15-2024-00381,SLHJ-SJ-15-2024-00382,SLHJ-SJ-15-2024-00383,SLHJ-SJ-15-2024-00384,SLHJ-SJ-15-2024-00385,SLHJ-SJ-15-2024-00386,SLHJ-SJ-15-2024-00387,SLHJ-SJ-15-2024-00388,SLHJ-SJ-15-2024-00389,SLHJ-SJ-15-2024-00390,SLHJ-SJ-15-2024-00391
4、检验日期:2024年1月16日




























































